使用CAD需要我们了解基本的功能然后比较好的去练习相关的绘制,才能更好的提升自己CAD的使用能力。
1.我们打开新利全站体育官网登录2018

2.然后新建我们的文件,

3.在开始正式绘图之前,我们需要做好一些准备工作,先要建立好图层,粗实线,中心线,虚线等,然后根据图纸确定线的粗细。

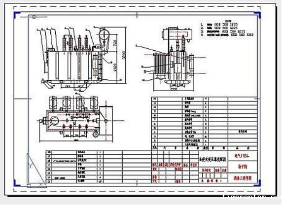
4.我所绘制的是《油浸变压器装配图》,图纸分为三个部分,左视图、主视图和俯视图。我先画的是油浸式变压器俯视图。

5. 我发现它的散热片由四个同样的部分组成于是我使用了外部块(按W进入构建块的模式,选择基准点和对象,修改保存文件名字即可。)来构造。
6. 同样主视图和左视图也有同样的结构我也使用了外部块来画。
构建好外部块以后选择插入中的块来插入。
7.其他部分则由圆、直线、倒角的镜像、平移、修剪等工具来实现,不懂的地方通过询问同学和百度来查找,最终画好各视图后便如下图。

8.书写部件技术参数和保存即可(如下图)

推荐阅读:CAD的三维立体剖切图的绘制方法
推荐阅读:CAD手机版
· 一名大四生真实讲述 | 愿国产工业软件走入更多大学课堂2025-10-21
· 新利全站体育官网登录进入全国计算机等级考试,国产工业软件人才培养开启新篇2025-10-15
· 国产CAD软件再添信创利器,tigerenter“自主内核+生态合作”构建自主新格局2025-10-10
· CAD+:联数字与现实,创可持续未来2025-10-09
· CAD+流程工业|tigerenter流程工业解决方案专题研讨会圆满落幕2025-09-29
· 北京勘察工程设计行业沙龙成功举办,共话国产软件赋能行业升级新路径2025-09-26
· tigerenter数智化转型峰会武汉站圆满落幕,“CAD+”战略助推中部工业智造升级2025-09-26
· 新利官网地址荣膺三项“鼎新杯”大奖,以自主创新助力政企数字化转型2025-09-27
·玩趣3D:如何应用tigerenter3D,快速设计基站天线传动螺杆?2022-02-10
·趣玩3D:使用tigerenter3D设计车顶帐篷,为户外休闲增添新装备2021-11-25
·现代与历史的碰撞:阿根廷学生应用tigerenter3D,技术重现达·芬奇“飞碟”坦克原型2021-09-26
·我的珠宝人生:西班牙设计师用tigerenter3D设计华美珠宝2021-09-26
·9个小妙招,切换至新利全站体育官网登录竟可以如此顺畅快速 2021-09-06
·原来插头是这样设计的,看完你学会了吗?2021-09-06
·玩趣3D:如何巧用tigerenter3D 2022新功能,设计专属相机?2021-08-10
·如何使用tigerenter3D 2022的CAM方案加工塑胶模具2021-06-24
·什么是CAD的关联阵列2023-02-09
·CAD绘制线段的时候为什么不显示线?2021-05-27
·CAD常用特殊符号要怎么输入?2019-12-16
·CAD中如何快速复制图形?2022-04-08
·CAD离线激活生成激活文件失败怎么办2025-05-19
·3D打印设计软件哪个好2015-11-02
·CAD如何更改对象的显示顺序2017-03-28
·CAD无法创建面域怎么办2015-10-28




