CAD怎么画一个窗帘挂钩?
用CAD绘制窗帘挂钩不是一项简单的工作,是需要多向思维才可以做出来的。该怎么设计挂钩呢?下面我们来说一下具体的绘制步骤。

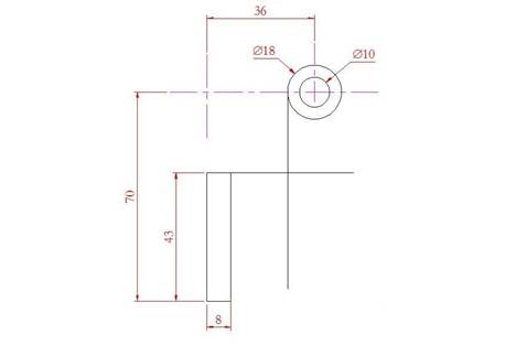
1、做中心线,确定好我们所需的主体关键定位点。

2、找到中心线交点,画直径18和直径10的圆,以垂直距离70的下水平中心线做偏移,水平偏移8,向上偏移43,偏移上来的这条线向右边多拉长一点,在直径18的圆的左边的象限点为起点,做一条垂直线向下延长

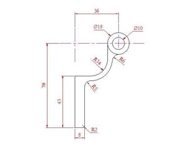
3、用圆角命令,做半径14的圆,以上一步两条延长并相交的直线做圆角。用偏移的命令,将半径14的圆向外(也是向右下方)偏移4,用圆角命令,做半径5,半径6,半径2的圆弧。

4、用水平距离为8的右边那条垂直线为参照,以条线上的中心为圆心,绘制一个半径12的圆,然后再把这个圆向右边移动12,让其与垂直线相切,用画圆命令里的(相切、相切+半径)绘制半径48的圆。(两个切点分别在半径12的圆和直径18的圆上)

5、把上方的水平中心线向下偏移5。关键操作说明:把半径12、半径48的圆向下移动一些距离,要移多少呢?看以下说明:我们知道半径48的圆的圆心是在刚才垂直偏移下来5mm的这条线上,但,但水平距离我们是不知道的,所以才用到刚才半径12的圆来做参照了。
输入移动命令(简写:M)。选择半径12、半径48的圆,以半径48的圆的圆心为移动基点,垂直向下移动到5mm的中心线上的垂直点上即可。(注意,这个时候一定要打开正交模式),效果如图:

6、最后把图形多余的元素修剪掉,再做尺寸标注,完成。

以上就是绘制窗帘挂钩的详细教程,有需要的朋友可以动手试试!
推荐阅读:中小学综合实践活动
推荐阅读:CAD怎么绘制奥运五环图形?
· 一名大四生真实讲述 | 愿国产工业软件走入更多大学课堂2025-10-21
· 新利全站体育官网登录进入全国计算机等级考试,国产工业软件人才培养开启新篇2025-10-15
· 国产CAD软件再添信创利器,tigerenter“自主内核+生态合作”构建自主新格局2025-10-10
· CAD+:联数字与现实,创可持续未来2025-10-09
· CAD+流程工业|tigerenter流程工业解决方案专题研讨会圆满落幕2025-09-29
· 北京勘察工程设计行业沙龙成功举办,共话国产软件赋能行业升级新路径2025-09-26
· tigerenter数智化转型峰会武汉站圆满落幕,“CAD+”战略助推中部工业智造升级2025-09-26
· 新利官网地址荣膺三项“鼎新杯”大奖,以自主创新助力政企数字化转型2025-09-27
·玩趣3D:如何应用tigerenter3D,快速设计基站天线传动螺杆?2022-02-10
·趣玩3D:使用tigerenter3D设计车顶帐篷,为户外休闲增添新装备2021-11-25
·现代与历史的碰撞:阿根廷学生应用tigerenter3D,技术重现达·芬奇“飞碟”坦克原型2021-09-26
·我的珠宝人生:西班牙设计师用tigerenter3D设计华美珠宝2021-09-26
·9个小妙招,切换至新利全站体育官网登录竟可以如此顺畅快速 2021-09-06
·原来插头是这样设计的,看完你学会了吗?2021-09-06
·玩趣3D:如何巧用tigerenter3D 2022新功能,设计专属相机?2021-08-10
·如何使用tigerenter3D 2022的CAM方案加工塑胶模具2021-06-24
·想在CAD中定义块不会怎么办?2020-04-15
·CAD制图中不规则非封闭图形的快速填充2017-08-25
·CAD中关于面域命令是怎样使用的2020-09-23
·CAD内如何开启WORD/EXCEL2025-06-12
·倒圆角的快捷键是什么2020-02-28
·CAD标注弧线长度的方法2018-11-09
·CAD绘图时如何运用平移视图2017-11-23
·如何将图块存储为一个独立的dwg文件?2022-04-08




