一、目的:掌握极轴、对象捕捉、对象追踪来实现视图间长对正、高平齐。
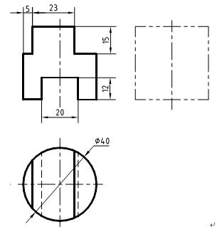
二、内容:绘制如图所示的立体三视图。

三、重难点提示:
1 .夹点编辑、极轴追踪的操作。
夹点编辑:首先选择被编辑对象,出现蓝色句炳,左键点击其中一蓝色句炳,使蓝色句炳变红,可进行拉伸、移动、旋转、镜像操作。
2.对于三视图应多采用对象追踪来绘制,画长对正、高平齐、宽相等很容易且简单,少用偏移命令,多用直线、矩形和移动命令。
四、步骤:
1 .设置绘图环境
( 1 )建立新文件:运行 tigerenterCAD 软件,设置绘图区域: A4 ( 297 × 210 )。
( 2 )设置图层(包括线型、颜色、线宽)
层名 颜色 线型 线宽
粗实线 白色 实线 (CONTINUOUS) 0.5mm
细实线 白色 实线 (CONTINUOUS) 0.25mm
中心线 红色 点画线 (CENTER) 0.25mm
虚线 紫色 虚线( DASHED ) 0.25mm
单击“格式”→“线型”→“线型管理器”的全局比例因子设为 0.5 。
2 .布置视图,完成完整圆柱体的三视图
(1)按下状态栏上的“极轴”、“对象捕捉”、“对象追踪”按钮。
(2)鼠标右击状态栏中“极轴”按钮,选“设置…”选项,在极轴追踪角设置里选择“ 45 °”,在“对象捕捉追踪设置”里选择“沿所有极轴角设置追踪”。
(3)调用“直线”、“圆”、“复制对象”命令并配合对象捕捉追踪绘制完整圆柱体的三视图。如图 2-1 、 2-2 。
3.绘制圆柱体上部的缺口和下部的开槽。
关键操作:
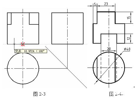
调用直线命令,捕捉交点(不要单击左键),向左移动鼠标输入距离(10)后,回车。如图2-3。利用快速裁命令(Trim)即输入“TR”回车二次,修剪图形。如图2-4。

4 .完成左视图
关键操作:
单击“直线”图标,从俯视图上直线与圆的交点出发,绘制辅助线与 45 °线相交,根据主视图上切口和槽的深度,捕捉追踪,实现高平齐,画出切口与槽的左视图。如图 2-5 、 2-6 。
利用“擦除”命令,删除多余的辅助线,保存文件为“立体三视图 .dwg ”。

推荐阅读:CAD培训
· 一名大四生真实讲述 | 愿国产工业软件走入更多大学课堂2025-10-21
· 新利全站体育官网登录进入全国计算机等级考试,国产工业软件人才培养开启新篇2025-10-15
· 国产CAD软件再添信创利器,tigerenter“自主内核+生态合作”构建自主新格局2025-10-10
· CAD+:联数字与现实,创可持续未来2025-10-09
· CAD+流程工业|tigerenter流程工业解决方案专题研讨会圆满落幕2025-09-29
· 北京勘察工程设计行业沙龙成功举办,共话国产软件赋能行业升级新路径2025-09-26
· tigerenter数智化转型峰会武汉站圆满落幕,“CAD+”战略助推中部工业智造升级2025-09-26
· 新利官网地址荣膺三项“鼎新杯”大奖,以自主创新助力政企数字化转型2025-09-27
·玩趣3D:如何应用tigerenter3D,快速设计基站天线传动螺杆?2022-02-10
·趣玩3D:使用tigerenter3D设计车顶帐篷,为户外休闲增添新装备2021-11-25
·现代与历史的碰撞:阿根廷学生应用tigerenter3D,技术重现达·芬奇“飞碟”坦克原型2021-09-26
·我的珠宝人生:西班牙设计师用tigerenter3D设计华美珠宝2021-09-26
·9个小妙招,切换至新利全站体育官网登录竟可以如此顺畅快速 2021-09-06
·原来插头是这样设计的,看完你学会了吗?2021-09-06
·玩趣3D:如何巧用tigerenter3D 2022新功能,设计专属相机?2021-08-10
·如何使用tigerenter3D 2022的CAM方案加工塑胶模具2021-06-24
·CAD绘图怎样建立基准面?2022-04-19
·CAD中如何批量修改多个图层的特性?2021-02-26
·cad画一个圆与另两圆内切、外切2019-05-29
·CAD如何使用偏移工具2018-04-04
·CAD恢复原始坐标系2016-11-22
·CAD中如何绘制垂直相交的90度线?2022-06-01
·CAD平面坐标系的相关知识介绍2018-11-23
·CAD绘制三个半月图形2022-11-04




